











DC AC Fuse Link 63A 1000V 1500V For Solar System OEM ODM Manufacturer
Rated voltage:1000V 1500V
Rated current:125A max
Connecting and installing wires:1.5-10mm²
Protection level:IP20
Fuse specifications:10*38mm
Working temperature:-20℃~+70℃
Category:DC/AC Fuse Holder
Product Details
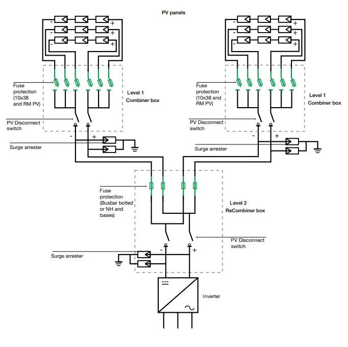
The main function of a DC (Direct Current) fuse holder is to provide a safe and convenient means to accommodate and connect fuses within a DC electrical circuit. They are typically used in conjunction with DC fuses to offer overcurrent protection forthe circuit and to facilitate easy replacement of fuses when necessary.
Product Introduction
The DC fuse of photovoltaic cells is specifically designed for use in photovoltaic (PV) systems, mainly to protect solar panels.
The breaking condition of solar panels is that while effectively breaking the faulty solar cell pack, it does not affect the operation of other normal working solar cell packs.
The PV series DC fuse can safely protect the PV module and its conductors from the threat of reverse overload current, regardless of whether the DC power supply is threatened.
With the increasing demand for high-power solar cell packs in the market, the promotion and development of photovoltaic systems and wind power grid connected power generation application technology, the use of high-voltage DC fuses to protect the safe grid connected operation of photovoltaic cell systems has become an important international technical measure.











